欢迎光临山东凯标电气科技有限公司!
  电话:0531-87936887            技术热线:13345116373
铜电缆固定头
产品简介

产品材质:接头主体部位采用黄铜镀镍制成,夹紧件采用尼龙塑料(PA)制成,密封件和O型密封圈均采用丁腈橡胶(NBR)制成。

◆产品认证:欧洲CE认证、欧洲ROHS认证、欧洲REACH认证。

◆防护等级:在规定的卡口范围内,并使用O型密封圈旋紧迫紧头,达到IP68-10巴压力。

◆适用温度:静态:-40℃到100℃,短时间达120℃;动态:-20℃到80℃,短时间达100℃。



◆螺纹长度:短螺纹适合用于薄型机板的开孔或附有内螺纹的设备上,长螺纹适合接合厚型机板。螺纹加长型可定制。

◆产品特性:特殊夹紧爪与夹紧圈凹凸相扣之设计,配合迫紧头装配省时便利,夹紧电缆范围大、抗拉力强、可防水、防尘、抗盐、耐酸缄、酒精、油脂及一般溶剂。

◆使用方法:金属电缆防水接头是电缆的配套产品,接头可将电缆锁紧,另一端可接入设备箱体上,也可以根据选用螺纹接入进出口为内螺纹的电动设备上。

◆更多选择:可根据客户实际需要,特别定制。需要订购时欢迎来电咨询。

22-1-1.png


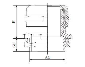
技术参数

image 163.png